◆ Tekniske parametre:
| Model | CYBN100 | CYBN150 |
| Nominel diameter | Φ 100 | Φ 150 |
| Monteringstype | Radial konveks monteret Parallelle grænseflader | * | * |
| Radial konveks monteret Otte-karakter-interface | | * |
| Excentrisk excentrisk flush type | * | * |
| Måleområde | Differentialtryk Måleområde KPA | Nominel Arbejdspress KPA | Differentialtryk Måleområde MPA | Nominel Arbejdspress MPA |
| 0 ~ 10 | 60 | 0 ~ 0.16 | 1 |
| 0 ~ 16 | 100 | 0 ~ 0.25 | 1.6 |
| 0 ~ 25 | 160 | 0 ~ 0.4 | 2.5 |
| 0 ~ 40 | 250 | 0 ~ 0.6 | 4 |
| 0 ~ 60 | 400 | 0 ~ 1 | 6 |
| 0 ~ 100 | 600 | 0 ~ 1.6 | 10 |
| | | 0 ~ 2.5 | 10 |
| Nøjagtighedsklasse | 2.5 |
| Montering af tråde | M20 × 1.5 |
| Brug omgivelsestemperatur | -40 ℃~ 70 ℃ |
| Temperaturen på mediet, der skal bruges | ≤ 60 ℃ |
| Vibrationsmodstandsklassificering | V · H · 4 |
| Indkapslingsklassificering | IP65 |
| vægt | Tilnærmelsesvis 1,5 kg |
| Materiale af impulssystemet | 0cr17ni12mo2 、 SUS316 |
| kabinet og andre materialer | 1CR18NI9 、 SUS304 |
| Håndhæve standarden | JB/T 12015-2014 |
| Note: 1 . Den fælles tråd kan tilpasses i henhold til brugerkrav. |
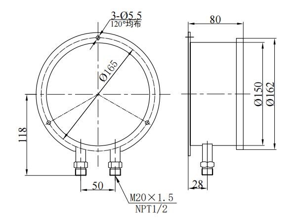
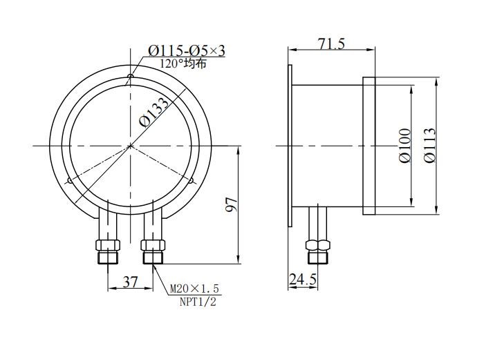
◆ Udseende og installationsstørrelse:
| CYBN100 Parallelle grænseflader | CYBN150 Parallelle grænseflader |
| CYBN150 Bazi -interface | CYBN150 Axial excentricitet |
◆ Strukturelt princip:
Instrumentet vedtager en dobbelt bourdon -rørstruktur, det vil sige to Bourdon -rør er installeret i symmetriske positioner på begge sider af "I" -beslaget. De øverste og nedre sektioner af "I" -beslaget er henholdsvis den bevægelige ende og den faste ende, og midten er forbundet med et fjederstykke: de to Bourdon -rør er i en parallel tilstog og er forbundet med den høje og lave spændingsforbindelse på tilfældet med henholdsvis ledningen: Gearoverførselsmekanismen er direkte installeret ved den faste ende af Bracket, og er forbundet med den bevægelige ende af Braket gennem brokken gennem trakken gennem trakken gennem den trak, der er trukket gennem den trak, der er trukket ud af trakken gennem den trakk, der er trukket gennem den trak, der er trukket gennem trækken gennem den faste ende af bracket, og er forbundet med den beviste ende af braket gennem den trak gennem den træk, der er trukket gennem den trak, der er trukket gennem den trak, der er trukket ud af trakken gennem den trak, der er i træk Rod: Skiven er direkte fastgjort på gearoverførselsmekanismen.
◆ Arbejdsprincip: Baseret på det trykfølende element bruges to bourdonrør med den samme stivhed, så de er tvunget til at producere den samme koncentrerede kraft under det samme målte medium til at handle på henholdsvis den bevægelige beslag, fordi de to sider af fjederblad nul position.
Når der anvendes forskellige tryk (generelt er højtryksenden højere end lavtrykets ende) , er kraften af de to Bourdon-rør, der virker på den bevægelige støtte, ikke ens, så den tilsvarende forskydning genereres henholdsvis, og gearoverførselsmekanismen er drevet og forstærket, og den differentielle trykværdi mellem de to er indikeret, når pegeren er defleret.
◆ Forholdsregler:
1. Instrumentet skal installeres lodret i en position, der er på samme niveau som målepunktet, ellers skal den ekstra fejl, der er forårsaget af væskeforskellen, tages i betragtning.
2 . Instrumentstik markeret med " H "eller" "Er højspændingsenden, og den, der er markeret med" L "eller" - "Er lavspændingsenden, og den kan ikke vendes under installationen.
3 . Når instrumentet måler det differentielle tryk, kan den differentielle trykværdi bruges inden for 75% af den øvre grænse for skalaområdet og den maksimale statiske trykværdi af systemet bør ikke overstige den maksimale statiske trykværdi, der er specificeret af instrumentet.
4. Som vist i figuren 4 , balancen (sikkerhed) ventil (ventil 1 ) skal indstilles foran instrumentets høje og lave trykindgangsporte under installationen og skal være i den åbne position, og balanceventilen skal lukkes efter ventilen 2 and Ventil 3 er alle åbnet.
5 . Før brug skal instrumentet omhyggeligt verificere graden af erosion forårsaget af det målte medium for ikke at forårsage tidlig korrosionsskade på Bourdon -røret.
6 . Når instrumentet regelmæssigt vedligeholdes, hvis målerdækslet skal åbnes, tilrådes det at bruge specialværktøjer.
7 . Når instrumentet påvirkes af temperaturændringer, og indikationsfejlen øges og påvirker målingens nøjagtighed, kan stikbossen på sagen afskæres for at få indersiden og ydersiden af sagen til at kommunikere, og lufttrykket er afbalanceret.
◆ Bestilling af meddelelse:
Når du bestiller instrumentet, skal brugeren angive:
1. Navn og model, differentielt trykområde, maksimalt statisk tryk, måleenhed, nøjagtighedsniveau;
2. Fælles trådstørrelse: Konventionel M20 × 1.5 , NPT1/2 (eller kundespecificeret);
3. Bemærk: Tre ventilgrupper kan tilpasses på vegne af brugere (ventiler 1 ~ 3 I figur 4 )