◆ Model : Ye60 YE100 YE150
◆ Brug: Membranbokstrykmåler kaldes også mikrykrykmåler. Det er velegnet til at måle det lave mikrostress af gasser eller dampe uden eksplosionsfare, ikke-krystallisation, ikke-kondensering og ikke-korrosiv effekt på kobber- og kobberlegering.
◆ Tekniske parametre :
| Modelnummer | Ye60 | Ye100 | Ye150 | |
| Nominel diameter | Φ 60 | Φ 100 | Φ 150 | |
| Monteringstype | Ⅰ | * | * | * |
| Ⅱ | / | * | * | |
| Ⅲ | * | / | / | |
| Ⅳ | / | * | * | |
| Ⅴ | * | / | / | |
| Stiktråd | M14 × 1.5 | M20 × 1.5 | ||
| Nøjagtighedsklasse | 1.6 ; 2.5 | |||
| Måleområde ( KPA ) | -40 ~ 0 -25 ~ 0 -16 ~ 0 -10 ~ 0 -6 ~ 0 -4 ~ 0 0 ~ 4 0 ~ 6 0 ~ 10 0 ~ 16 0 ~ 25 0 ~ 40 -2 ~ 2 -3 ~ 3 -5 ~ 5 -8 ~ 8 -12 ~ 12 -20 ~ 20 | |||
| Miljøforhold | Temp : -25 ℃~ 55 ℃; Relativ fugtighed : ≤ 80 % | |||
| Vibrationsvurdering | V · H · 2 | |||
| Membranboksmateriale | QSN4-0.3 | |||
| Beskyttelsesklasse | IP54 | |||
| Implementeringsstandarder | JB/T 9274 | |||
| BEMÆRK: 1. Fælles tråde kan tilpasses i henhold til brugerkrav. | ||||
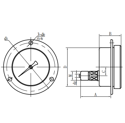
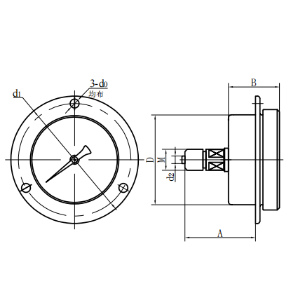
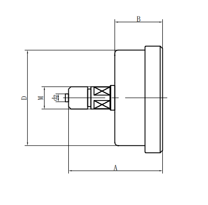
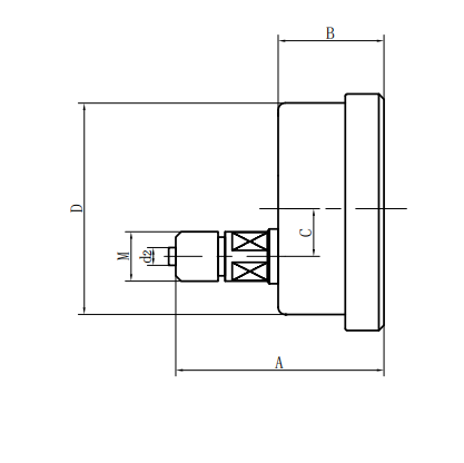
◆ Eksterne dimensioner:
| Radial direkte type (ⅰ) | Axial excentrisk direkte type (ⅱ) |
| Axial koncentrisk direkte type (III) | Axial excentrisk indsættelsestype (IV) |
| Axial koncentrisk indsættelsestype (V) | Radial konveks type (VI) |
| Modelnummer | Samlede dimensioner ( mm ) | ||||||
| EN | B | C | D | E | D2 | M | |
| Ye60 -Ⅰ | 58 | 35 | 11 | φ 60 | 5 | φ 4 | M10 × 1 |
| Ye60 -Ⅲ | 58 | 35 | / | φ 60 | 5 | φ 4 | M10 × 1 |
| | | | | | | | |
| Ye100 -Ⅰ | 93 | 50 | 16.5 | Φ 100 | 16.5 | φ 6 | M20 × 1.5 |
| Ye100 -Ⅲ | 85 | 50 | / | Φ 100 | 16.5 | φ 6 | M20 × 1.5 |
| | | | | | | | |
| Ye150 -Ⅰ | 118 | 53 | 18.5 | φ 150 | 19 | φ 6 | M20 × 1.5 |
| Ye150 -Ⅲ | 96 | 53 | / | φ 150 | 19 | φ 6 | M20 × 1.5 |
| | | | | | | | |


















