◆ Model: Yp100-L YP150-L YP100-F YP150-F
◆ Model: Yp100-L YP150-L YP100-F YP150-F
◆ Tekniske parametre:
| Model | YP100-L 、 YP100-F | YP150-l 、 YP150-F |
| Nominel diameter | F 100 | F 150 |
| Nøjagtighedsklasse | 2.5 | |
| Måleområde ( KPA ) | Negativt tryk: -60 ~ 0 -40 ~ 0 -25 ~ 0 -16 ~ 0 -10 ~ 0 0 ~ 10 -6 ~ 0 -4 ~ 0 -2,5 ~ 0 -1.6 ~ 0 Positivt tryk: 0 ~ 1,6 0 ~ 2,5 0 ~ 4 0 ~ 6 0 ~ 1 0 ~ 1,6 0 ~ 2.5 Positivt og negativt pres: -0,8 ~ 0,8 -1,2 ~ 1.2 -2 ~ 2 -3 ~ 3 -5 ~ 5 -8 ~ 8 -12 ~ 12 -20 ~ 20 -30 ~ 30 | |
| Måleområde ( MPA ) | Vakuum: -0.1 ~ 0 Trykvakuum: -0.1 ~ 0,06 -0,1 ~ 0,15 -0,1 ~ 0.3 -0.1 ~ 0,5 -0,1 ~ 0,9 -0,1 ~ 1,5 -0,1 ~ 2.4 Tryk: 0 ~ 0,06 0 ~ 0,1 0 ~ 0,16 0 ~ 0,25 0 ~ 0.4 0 ~ 0,6 0 ~ 1 0 ~ 1,6 0 ~ 2.5 | |
| Brug omgivelsestemperatur | -40 ℃~ 70 ℃ | |
| Membranmateriale | Ocr18ni12mo2ti ; SUS316 ; | |
| Monteringstype | Gevind ( L ); Flange ( F ), ( F1 ) | |
| Vibrationsmodstandsklassificering | V · H · 2 | |
| Ingressbeskyttelse | IP64 | |
| Håndhæve standarden | JB/T 5491 | |
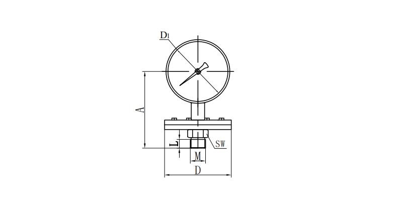
◆ Eksterne dimensioner:
Gevind ( L )
| Model | Dimensioner ( mm ) | |||||
| EN | D | D1 | Sw | L | M | |
| YP100-L | 135 | Φ 97.5 Mikropressur φ 165 | 110 | 27 | 20 | M20 × 1.5 |
| YP150-l | 160 | 160 | 27 | 20 | M20 × 1.5 | |
| Bemærk: Den fælles tråd ( M ) kan laves til rørtråd eller konisk rørtråd i henhold til brugerkrav (se Selection Guide). | ||||||
Wuxi Huihua Special Instrumentation Co., Ltd. was established in December 2001, the registered capital is 5 million yuan, the existing staff of more than 50 small and medium-sized joint-stock enterprises.
Virksomheden er specialiseret i produktion af forskellige typer specielle instrumenter, alternativ til lokalisering af importerede instrumenter. Til seismisk trykmåler, seismisk elektrisk kontakttrykmåler, trykmåler i rustfrit stål, membran-korrosionsbestandig trykmåler, marintrykmåler og andre serier som hovedprodukter. På grundlag af feltinstrumenter har vi udviklet forskellige former for trykoverførslere, trykcontrollere, digitale trykmålere og så videre. Der er mere end 30 serier og 3000 specifikationer. Forsyningsprodukter er vidt brugt i olie, kemisk, papir, metallurgi, minedrift, kemisk fiber, elektrisk strøm, mad, miljøbeskyttelse, gummi og plastik, hydraulik og mange andre industrier, og mere end 2.000 indenlandske kunder for at etablere et venligt forhold til de nationale store og mellemstore virksomheder for at etablere et godt partnerskab, vandt flertallet af brugere roser og indstiller et virksomhedsmærke.
Som YP -serie Membranpresspressemålere Manufacturers, strenge kvalitetskontrolprocesser er på plads i hele fremstillingssystemet for at sikre, at der produceres konsistent kvalitet.
Trykmålere er blandt de mest fundamentale instrumenter i ethvert industrielt, mekanisk eller procesmiljø. De giver måling af væske- eller gastryk i realtid, hvilket gør det muligt for operatører at overvåge systemets ......
Læs mereForstå trykmålerens grundlæggende principper Trykmålere er essentielle instrumenter, der bruges på tværs af utallige industrier til at måle og vise trykket af gasser eller væsker i et system. Disse enheder tj......
Læs mereDifferenstryktransmittere står som væsentlige instrumenter i moderne industrielle processtyrings-, måle- og overvågningssystemer. Disse enheder måler forskellen i tryk mellem to punkter i et system og konverterer denn......
Læs mere