◆ Model: Y40 Y50 Y60 Y75 Y100 Y150 Y200 Y250
◆ Brug: Denne række instrumenter er velegnet til at måle trykket af væske, gas eller damp, der ikke har nogen fare for eksplosion, ikke krystalliserer, størkner ikke og har ingen ætsende virkning på kobber- og kobberlegering.
◆ Ved praktisk anvendelse, i henhold til de særlige egenskaber ved forskellige medier (såsom olieforbud, brandforebyggelse, korrosionsbestandighed osv.), Er kravene til instrumentet forskellige, så denne serie instrumenter stammer mange tilsvarende specielle instrumenter, deres nominelle diameter, installationstype, forbindelsestråd, nøjagtighedsniveau, måling af rækkevidde osv. Er det samme som det generelle tryk gauges, og der er hovedsageligt to kategorier: stik:
1.1 Velegnet til måling af trykket fra brandfarlige og eksplosive medier. Det er strengt forbudt at komme i kontakt med fedtede brandfarlige stoffer. Afvømning af behandling foretages, før fabrikken forlader fabrikken, og den testes for intet fedt.
1.1.1 Yo -serien Oxygen -trykmåler
1.1.2 YH -serie Hydrogentrykmåler
1.1.3 YY -serie Acetylentrykmåler
1.2 De anvendte materialer er resistente over for korrosionen af mediet eller instrumentet har ingen indflydelse på mediet og sikrer, at detektering af elementer og grænseflader er rene og fri for fedt.
1.2.1 YA -serie Ammoniaktrykmåler
1.2.2 YDQ -serie Nitrogentrykmåler
◆ Tekniske parametre :
| Modelnummer | Y40 | Y50 | Y60 | Y75 | Y100 | Y150 | Y200 | Y250 | |
| Nominel diameter | Φ 40 | Φ 50 | Φ 60 | Φ 75 | Φ 100 | Φ 150 | Φ 200 | Φ 250 | |
| Installationsformular | Ⅰ | * | * | * | * | * | * | * | * |
| Ⅱ | / | / | * | / | * | * | * | * | |
| Ⅲ | * | * | * | * | / | / | / | / | |
| Ⅳ | / | / | * | / | * | * | / | / | |
| Ⅴ | * | * | * | * | / | / | / | / | |
| Ⅵ | / | / | * | * | * | * | / | / | |
| Stiktråd | M10 × 1 | M14 × 1.5 | M20 × 1.5 | ||||||
| Nøjagtighedsklasse | 2.5 | 1.6 | |||||||
| Måleområde ( MPA ) | Ledig: -0.1 ~ 0 Trykvakuum : -0.1 ~ 0,06 -0,1 ~ 0,15 -0,1 ~ 0,3 -0,1 ~ 0.5 -0.1 ~ 0,9 -0,1 ~ 1,5 -0,1 ~ 2.4 Tryk: 0 ~ 0,1 0 ~ 0,16 0 ~ 0,25 0 ~ 0,4 0 ~ 0.6 0 ~ 1 0 ~ 1,6 0 ~ 2,5 0 ~ 4 0 ~ 6 0 ~ 10 0 ~ 16 0 ~ 25 0 ~ 40 0 ~ 60 0 ~ 100 0 ~ 160 | ||||||||
| Miljøforhold | Temp : -40 ℃~ 70 ℃ | ||||||||
| Vibrationsvurdering | V · H · 3 | ||||||||
| Borden rørmateriale | QSN4-0.3 | ||||||||
| Beskyttelsesklasse | IP54 、 IP65 | ||||||||
| Implementeringsstandarder | GB/T 1226 | ||||||||
| BEMÆRK: 1. Fælles tråde kan tilpasses i henhold til brugerkrav. | |||||||||
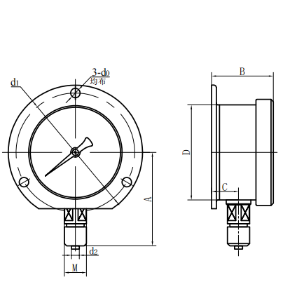
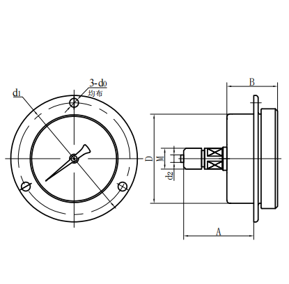
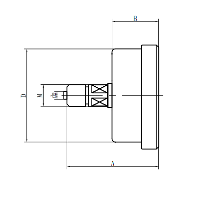
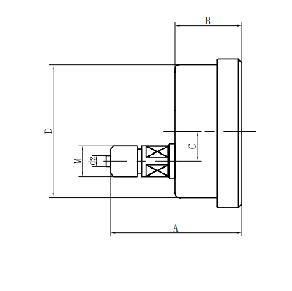
◆ Eksterne dimensioner:
| Radial direkte type (ⅰ) | Axial excentrisk direkte type (ⅱ) |
| Axial koncentrisk direkte type (III) | Axial excentrisk indsættelsestype (IV) |
| Axial koncentrisk indsættelsestype (V) | Radial konveks type (VI) |
| Modelnummer | Samlede dimensioner ( mm ) | |||||||
| EN | B | C | D | D0 | D1 | D2 | M | |
| Y40 -Ⅰ | 38 | 25 | 8.5 | Φ 41 | / | / | Φ 3.5 | M10 × 1 |
| Y40 -Ⅲ | 45 | 26 | / | Φ 41 | / | / | Φ 3.5 | M10 × 1 |
| Y40 -Ⅴ | 38 | 26 | / | Φ 41 | Φ 3.5 | Φ 53 | Φ 3.5 | M10 × 1 |
| Y50 -Ⅰ | 50 | 29 | 9.5 | Φ 52 | / | / | Φ 4 | M10 × 1 |
| Y50 -Ⅲ | 54 | 29 | / | Φ 52 | / | / | Φ 4 | M10 × 1 |
| Y50 -Ⅴ | 47 | 29 | / | Φ 52 | Φ 4 | Φ 64 | Φ 4 | M10 × 1 |
| Y60 -Ⅰ | 54 | 30 | 12 | Φ 60 | / | / | Φ 5 | M14 × 1.5 |
| Y60 -Ⅱ | 63 | 34 | 18 | Φ 60 | / | / | Φ 5 | M14 × 1.5 |
| Y60 -Ⅲ | 58 | 30 | / | Φ 60 | / | / | Φ 5 | M14 × 1.5 |
| Y60 -Ⅳ | 45 | 34 | 18 | Φ 60 | Φ 5 | Φ 75 | Φ 5 | M14 × 1.5 |
| Y60 -Ⅴ | 45 | 34 | / | Φ 60 | Φ 5 | Φ 75 | Φ 5 | M14 × 1.5 |
| Y60 -Ⅵ | 54 | 30 | 12 | Φ 60 | Φ 5 | Φ 75 | Φ 5 | M14 × 1.5 |
| Y75 -Ⅰ | 62 | 31 | 10 | Φ 75 | / | / | Φ 5 | M14 × 1.5 |
| Y75 -Ⅲ | 54 | 32 | / | Φ 75 | / | / | Φ 5 | M14 × 1.5 |
| Y75 -Ⅴ | 54 | 32 | / | Φ 75 | Φ 5 | Φ 91 | Φ 5 | M14 × 1.5 |
| Y75 -Ⅵ | 62 | 32 | 10 | Φ 75 | Φ 5 | Φ 91 | Φ 5 | M14 × 1.5 |
| Y100 -Ⅰ | 89 | 44 | 17 | Φ 100 | / | / | Φ 6 | M20 × 1.5 |
| Y100 -Ⅱ | 83 | 44 | 30 | Φ 100 | / | / | Φ 6 | M20 × 1.5 |
| Y100 -Ⅳ | 68 | 44 | 30 | Φ 100 | Φ 6 | Φ 118 | Φ 6 | M20 × 1.5 |
| Y100 -Ⅵ | 89 | 44 | 18 | Φ 100 | Φ 6 | Φ 118 | Φ 6 | M20 × 1.5 |
| Y150 -Ⅰ | 115 | 49 | 17 | Φ 150 | / | / | Φ 6 | M20 × 1.5 |
| Y150 -Ⅱ | 88 | 49 | 55 | Φ 150 | / | / | Φ 6 | M20 × 1.5 |
| Y150 -Ⅳ | 85 | 49 | 55 | Φ 150 | Φ 6 | Φ 165 | Φ 6 | M20 × 1.5 |
| Y150 -Ⅵ | 115 | 49 | 18 | Φ 150 | Φ 6 | Φ 165 | Φ 6 | M20 × 1.5 |
| Y200 -Ⅰ | 140 | 53 | 20 | Φ 200 | / | / | Φ 6 | M20 × 1.5 |
| Y200 -Ⅱ | 92 | 53 | 53 | Φ 200 | / | / | Φ 6 | M20 × 1.5 |
| Y250 -Ⅰ | 165 | 53 | 20 | Φ 250 | / | / | Φ 6 | M20 × 1.5 |
| Y250 -Ⅱ | 92 | 53 | 53 | Φ 250 | / | / | Φ 6 | M20 × 1.5 |

























