◆ Model: YJ150 YJ150A
◆ Brug: Denne række instrumenter bruges hovedsageligt til at kalibrere industrielle eller civile almindelige presmålere. Det kan også bruges til nøjagtigt at måle trykket fra ikke-korrosivt, ikke-krystalliserende og ikke-konsoliderende medier, såsom kobberlegering og legeringsstrukturelt stål på processstedet.
Denne række instrumenter i skalalinjen under indstillingen af spejlringen, i brug kan gøre læsefejlen minimeres. En type med nul enhed, i brugsprocessen, hvis du finder ud af, at markøren ikke vender tilbage til nul, i fravær af medietryk kan være finjusteret markør, så det vender tilbage til nul for at reducere fejlen. .
◆ Tekniske parametre :
| Modelnummer | YJ150 | YJ150A | |
| Nominel diameter | Φ 150 | ||
| Installationsformular | Ⅰ | * | * |
| Ⅳ | * | * | |
| Stiktråd | M20 × 1.5 | ||
| Nøjagtighedsklasse | 0.4 | ||
| Måleområde ( MPA ) | Ledig: -0.1 ~ 0 Trykvakuum : -0.1 ~ 0,06 -0,1 ~ 0,15 -0,1 ~ 0,3 -0,1 ~ 0,5 -0,1 ~ 0,9 -0,1 ~ 1,5 -0,1 ~ 2.4 Tryk: 0 ~ 0,1 0 ~ 0,16 0 ~ 0,25 0 ~ 0,4 0 ~ 0.6 0 ~ 1 0 ~ 1,6 0 ~ 2,5 0 ~ 4 0 ~ 6 0 ~ 10 0 ~ 16 0 ~ 25 0 ~ 40 0 ~ 60 0 ~ 100 | ||
| Miljøforhold | Temp : 20 ℃ ± 3 ℃ | ||
| vibrationsvurdering | V · H · 2 | ||
| Beskyttelsesklasse | IP54 | ||
| Implementeringsstandarder | GB/T 1227 | ||
| BEMÆRK: 1. Fælles tråde kan tilpasses i henhold til brugerkrav. | |||
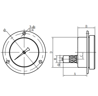
◆ Eksterne dimensioner:
| Radial direkte type (ⅰ) | Axial excentrisk direkte type (ⅱ) |
| Modelnummer | Samlede dimensioner ( mm ) | |||||||
| EN | B | C | D | D0 | D1 | D2 | M | |
| YJ150- Ⅰ Yj150a- Ⅰ | 113 | 51 | 21 | Φ 150 | / | / | Φ 6 | M20 × 1.5 |
| YJ150- Ⅳ Yj150a- Ⅳ | 79 | 51 | 55 | Φ 150 | Φ 6 | Φ 165 | Φ 6 | M20 × 1.5 |


















