◆ Model: YJY100 YJY150
◆ Brug: Absolutt tryk henviser til det tryk, der er højere end absolut tryk nul med absolut tryk nul (absolut vakuum) som reference. Absolutt trykværdi kan udtrykkes ved følgende formel:
Absolutt trykværdi = vakuum (negativt tryk) værdi atmosfærisk trykværdi
Absolutt trykmåler bruges hovedsageligt til at overvåge eller måle det absolutte tryk i nogle vakuumudstyr (f.eks. Vakuumemballagemaskiner, udstyr til overvågning af kondensationstryk og damptryk af væske osv.).
◆ Arbejdstryk: Statisk belastning er brugt op til 3/4 af den øvre grænseværdi af måling, udvekslingsbelastning bruges op til 2/3 af den øvre grænseværdi af måling, og kortvarigt tryk bruges op til den øvre grænseværdi af måling.
◆ Tekniske parametre :
| Modelnummer | YJY100 | YJY150 | |
| Nominel diameter | Φ 100 | Φ 150 | |
| Installationsformular | Ⅰ | * | * |
| Ⅱ | * | * | |
| Ⅳ | * | * | |
| Ⅵ | * | * | |
| Stiktråd | M20 × 1.5 | ||
| Nøjagtighedsklasse | 0.4 ; 1.0 ; 1.6 ; 2.5 | ||
| Måleområde ( MPA ) | 0 ~ 0,1 0 ~ 0,16 0 ~ 0,25 0 ~ 0,4 0 ~ 0,6 0 ~ 1 0 ~ 1.6 0 ~ 2,5 0 ~ 4 0 ~ 6 0 ~ 10 | ||
| Miljøforhold | Temp : -40 ℃~ 70 ℃( Nøjagtighedsklasse : 0.4 ) -50 ℃~ 160 ℃( Nøjagtighedsklasse : 1.0 ~ 2.5 ) Relativ fugtighed : ≦ 80 % | ||
| vibrationsvurdering | V · H · 2 ; V · H · 3 | ||
| Beskyttelsesklasse | IP65 | ||
| Implementeringsstandarder | | ||
| BEMÆRK: 1. Fælles tråde kan tilpasses i henhold til brugerkrav. | |||
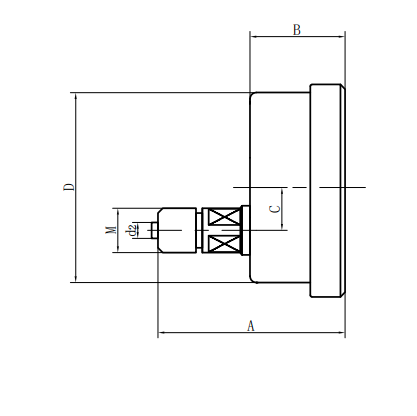
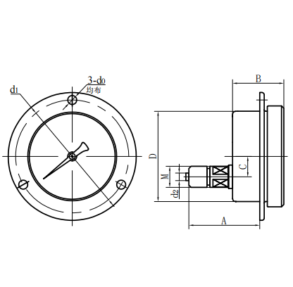
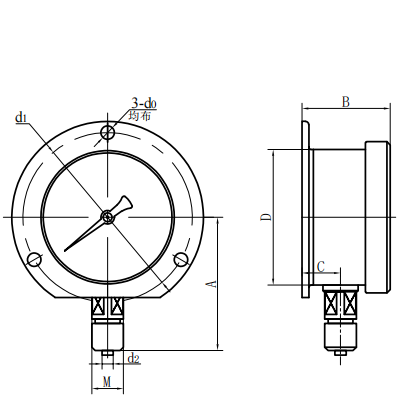
◆ Eksterne dimensioner:
|
Radial direkte type (ⅰ) | Axial excentrisk direkte type (ⅱ) |
| Axial koncentrisk direkte type (III) | Axial excentrisk indsættelsestype (IV) |
| Modelnummer | Samlede dimensioner ( mm ) | |||||||
| EN | B | C | D | D0 | D1 | D2 | M | |
| YJY100 -Ⅰ | 90 | 48 | 15 | Φ 100 | / | / | Φ 6 | M20 × 1.5 |
| YJY100 -Ⅱ | 83 | 44 | 34 | Φ 100 | / | / | Φ 6 | M20 × 1.5 |
| YJY100 -Ⅳ | 68 | 44 | 34 | Φ 100 | Φ 6 | Φ 118 | Φ 6 | M20 × 1.5 |
| YJY100 -Ⅵ | 90 | 48 | 15 | Φ 100 | Φ 6 | Φ 118 | Φ 6 | M20 × 1.5 |
| YJY150 -Ⅰ | 117 | 51 | 16.5 | Φ 150 | / | / | Φ 6 | M20 × 1.5 |
| YJY150 -Ⅱ | 92 | 52 | 55 | Φ 150 | / | / | Φ 6 | M20 × 1.5 |
| YJY150 -Ⅳ | 69 | 52 | 55 | Φ 150 | Φ 6 | Φ 165 | Φ 6 | M20 × 1.5 |
| YJY150 -Ⅵ | 117 | 53 | 28 | Φ 150 | Φ 6 | Φ 165 | Φ 6 | M20 × 1.5 |
























